A sports hall with an efficient and sustainable hybrid heating system

A sports hall with an efficient and sustainable hybrid heating system
This multi-purpose hall in La Bruyère, Belgium, features a highly reliable heating system comprising the Hoval Belaria fit heat pump and the Hoval UltraGas 2 gas boiler.
- School & Sports Venue
- New Building
- Heat Pump

The Belaria fit (53) heat pump is installed outside the Hall Sportif de la Bruyère.
An air/water heat pump and a gas condensing boiler work in perfect harmony to create the best possible indoor climate.
The total heated area of the Hall Sportif de la Bruyère amounts to 2136 m2, with the heat diffused via water-based air heaters and radiators. In addition to heating the sports hall, the heating system also has to heat water for a total of 22 showers. The design temperature of the heat distribution system is 60°C. A minimum outdoor temperature of -9°C was taken as a basis for the system, resulting in a calculated heat load of 99 kW for the sports and multi-purpose hall.
The Belaria fit air/water heat pump and the UltraGas 2 gas condensing boiler form an efficient heating and hot water system

The Belaria fit (53) is a strong partner for blocks of flats, large building complexes or sports and multi-purpose halls
Belaria fit: powerful and sustainable

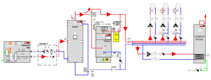
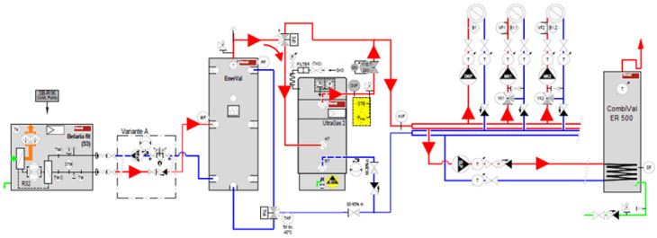
While the heat pump is installed outside, the UltraGas 2 with EnerVal and CombiVal ER can be found inside the sports facility.
Modulating Hoval UltraGas 2 gas condensing boiler using propane as fuel

The UltraGas 2 gas condensing boiler supports the powerful and energy-efficient Belaria fit (53) heat pump
80% of annual energy consumption covered by Belaria fit heat pump

Hydraulic diagram

Example 1: setpoint temperature is achieved by heat pump Hoval Belaria fit.

Example 2: setpoint temperature is not achieved.
Intelligent hybrid solution for the bivalence range
The bivalence range (area shown in blue in the diagram below) is the range in which the second heat generator must cover the required heat load of the building. The UltraGas 2, the second heat generator, is activated at the bivalence point – which always relates to an outdoor temperature.
A key advantage of a hybrid solution is that a lower heat pump output can be selected as a result. This reduces not only the investment costs but also the operating costs in comparison with a monovalent heat pump system. At temperatures above the bivalence point, the sports hall is supplied with renewable energy all year round. As the outdoor temperature increases, so too does the efficiency of the heat pump. Using this hybrid solution with a lower heat pump output also means that unwanted on/off cycling is prevented during the height of summer.
A further advantage is that having two heat generators increases the operational reliability of the system. If one heat generator fails, heat can still be supplied to the sports hall.

The bivalence range on the left with the building characteristic curve showing the relationship between heat pump output and outdoor temperature.
The features of the Belaria fit air/water heat pump
The perfectly coordinated hybrid system – featuring a Belaria fit (53) air/water heat pump in combination with an UltraGas 2 (125) gas condensing boiler, an EnerVal (500) buffer storage tank and a CombiVal ER (500) – is a powerful and sustainable installation solution for the sports and multi-purpose hall in La Bruyère.
Furthermore, the Hoval Belaria fit reversible heat pump is available in two output sizes and can be used in numerous projects requiring heating or cooling. The Belaria fit uses the refrigerant R32 in its refrigeration circuit.
As an individual unit, the Belaria fit has a heat output of up to 85 kW at an outdoor temperature of 2°C. Up to 16 units can be used simultaneously in a cascade configuration, corresponding to an output of 1360 kW. As an energy-efficient and climate-friendly heating and cooling solution, the Belaria fit is suitable for blocks of flats as well as large building complexes and sports or multi-purpose halls.