Our services during planning phase

We personally assist you in planning heating, ventilation, and air conditioning solutions. With our expertise and experience, we understand your needs and offer you the appropriate advice.
During planning phase, we provide following services:
- Solution proposals: Based on a thorough analysis of your needs and conditions, we provide you with well-founded solution proposals that offer the highest comfort and efficiency.
- Simulations (Climate Technology): By using simulation techniques in climate technology, we can precisely predict the performance of our solution already in the planning phase and incorporate it into the planning.
- Product selection: We select the appropriate products that are optimally tailored to your specific requirements and conditions.
- System design: Our experts develop functional and economical system solutions that meet both current and future requirements.
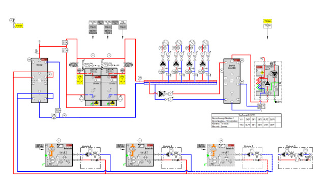
- Standard P&ID schemes: We offer standardised, tested schemes that have proven themselves many times in practice. This ensures optimal operation adapted to the conditions.
- Custom hydraulic schemes: Custom schemes are precisely tailored to your individual requirements and operating conditions. This ensures maximum efficiency and reliability of the system.
- Installation plans: We create precise plans that ensure smooth installation and maintenance of your systems.